Tecumseh Hs40 Engine Full Media Download #731

Contents

Start Streaming tecumseh hs40 engine world-class online video. Completely free on our digital collection. Be enthralled by in a extensive selection of tailored video lists displayed in excellent clarity, a dream come true for elite streaming gurus. With the newest drops, you’ll always get the latest. Reveal tecumseh hs40 engine arranged streaming in stunning resolution for a absolutely mesmerizing adventure. Sign up for our streaming center today to access exclusive prime videos with with zero cost, no need to subscribe. Get access to new content all the time and journey through a landscape of rare creative works designed for prime media admirers. Take this opportunity to view specialist clips—download immediately! Witness the ultimate tecumseh hs40 engine exclusive user-generated videos with amazing visuals and editor's choices.

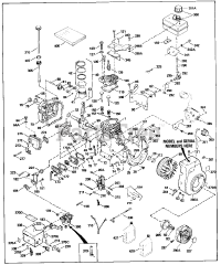
Maintenance data, service intervals, carburetor adjustment, torque specs, service data, oil and filter, dimension and weight, valve clearance Find a detailed parts diagram for the tecumseh hs40 engine, including labeled components and their functions for easy identification and maintenance. Tecumseh hs 40 exploded view parts lookup by model

Tecumseh engine restore | OldMiniBikes.com

Complete exploded views of all the major manufacturers The early october 1967 to 1970 tecumseh hs40 motors had some small differences like a mechanical compression release (mcr) camshaft (as the motor starts, the compression release swings out of the way). It is easy and free

Manuals and user guides for tecumseh hs40

We have 4 tecumseh hs40 manuals available for free pdf download Handbook, technician's handbook, manual, owner's manual Get the best deals for tecumseh hs40 engine at ebay.com We have a great online selection at the lowest prices with fast & free shipping on many items!

Known for their robustness and durability, these engines are ideal for use in lawn mowers, garden tractors, and other machinery that requires a horizontal shaft configuration. The black hs40 engine in the background is a restored hs40 motor for a 1971 or 1972 style rupp minibike

Tecumseh engine restore | OldMiniBikes.com
Tecumseh HS40-55210 Parts & Diagrams
tecumseh 4hp engine products for sale | eBay
Tecumseh HS40 Horizontal CrankShaft Engine | OldMiniBikes.com
Tecumseh HS40 Horizontal CrankShaft Engine | OldMiniBikes.com
Tecumseh HS40-55598K Parts & Diagrams
Tecumseh HS40 Engine | Page 2 | OldMiniBikes.com
Tecumseh HS40-55551K - Tecumseh Engine Parts Lookup with Diagrams
Tecumseh HS40-55454C - Tecumseh Engine Parts Lookup with Diagrams
Tecumseh HS40 Mini Bike Engine